Taller

Aparato en forma de casita de dos plantas con paredes inclinadas y techo a dos aguas, equipado con escaleras, tobogán, imitaciones de herramientas, ruedas de repuesto, con un coche en un elevador con imitación de motor, con volante giratorio, un agregador con pinzas y un surtidor de combustible independiente con una manguera en forma de cuerda para repostar el coche.

Código del producto
0210010
Grupo de edad
2-6 años
Número de usuarios
10
Inclusión
No

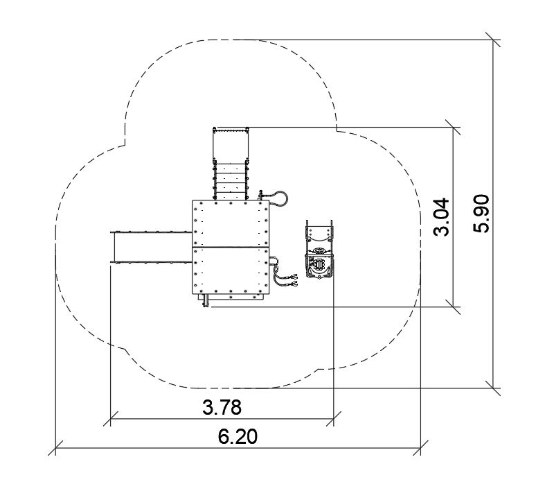
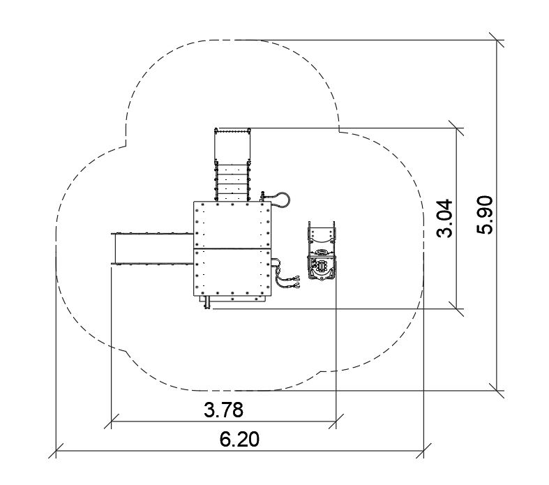
Longitud
3,04 m
Anchura
3,78 m
Altura
2,19 m
Área de la zona segura
27,5 m2
Altura de la caída
0,90 m
Dimensión de la zona
5,90 x 6,20 m m

¿Tiene preguntas?

Escríbanos