Bujak monocykl

Kod produktu
0030030
Grupa wiekowa
2-6 lata
Liczba użytkowników
1
Inkluzywność
Nie

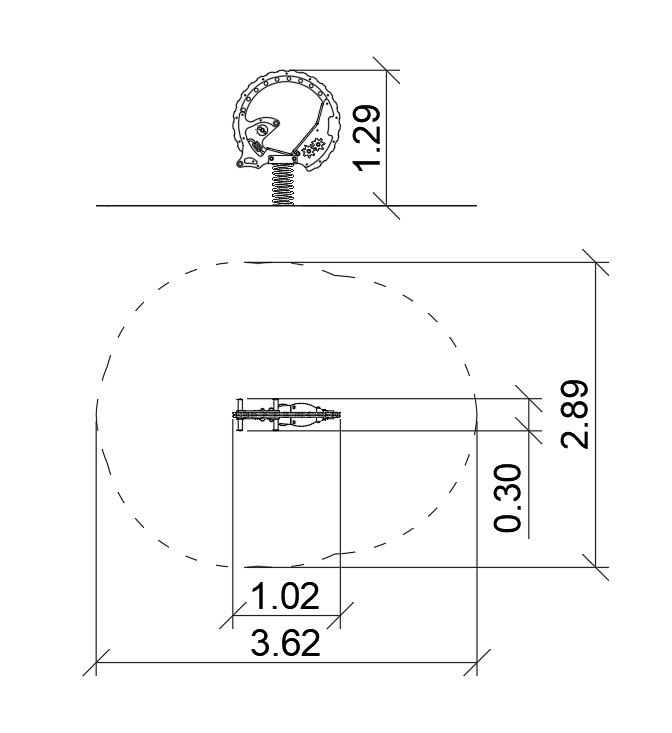
Długość
0,30 m
Szerokość
1,02 m
Wysokość
1,29 m
Obszar strefy bezpieczeństwa
8,35 m2
Wysokość upadku
0,50 m
Wymiar strefy
2,89 x 3,62 m

Masz pytania?

Napisz do nas