Mini Florini 6

Urządzenie na słupach okrągłych z obejmami aluminiowymi. Podesty pokryte powłoką antypoślizgową wsparte na spawanej ramie stalowej. Dachy płaskie wyposażone w bulaj sferyczny. Barierki z poliwęglanu z transparentnym nadrukiem UV.

Kod produktu
0190006
Grupa wiekowa
2-6 lata
Liczba użytkowników
13
Inkluzywność
Tak

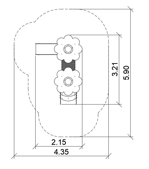
Długość
2,15 m
Szerokość
3,21 m
Wysokość
2,25 m
Obszar strefy bezpieczeństwa
20,4 m2
Wysokość upadku
0,56 m
Wymiar strefy
4,35 x 5,90 m m

Specyfikacja materiałowa: Mini Florini 5

Materiał konstrukcyjny stalowe ocynkowane galwanicznie, a następnie pokryte powłoką malarską metodą proszkową, zapewniającą trwałość i odporność na korozję lub ze stali nierdzewnej
Elementy dodatkowe poręcze stali czarnej ocynkowanej galwanicznie, a następnie malowanej proszkowo lub stali nierdzewnej
Podesty sklejki lub płyty HPL
Fundamentowanie wkopane do gruntu na zadaną głębokość i zabetonowane betonem klasy min. B-20 lub przykręcone do betonowego podłoża
Płyty płyty HDPE z frezowanymi rysunkami lub płyty z poliwęglanu litego bezbarwnego lub barwionego
Zjeżdżalnie ze stali nierdzewnej, rurowe, tubowe lub z burtami z płyty HDPE
Inne Łączenia elementów konstrukcyjnych w formie aluminiowych obejm. Śruby wykonane ze stali nierdzewnej z poliamidowymi nakładkami. Kamienie wspinaczkowe z wytrzymałego tworzywa. Bulaje wykonane z poliwęglanu. Tunel z rury dwuściennej wykonanej z polipropylenu.
Masz pytania?

Napisz do nas