Lodziarnia

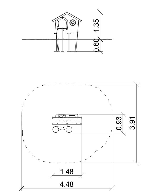
Urządzenie w postaci jednej ściany z dwuspadowym dachem, nierdzewnym piekarnikiem i zlewem, imitacją kranu i płyty grzewczej, okienkiem z ladą i dwoma siedziskami.

Kod produktu
0210016
Grupa wiekowa
2-6 lata
Liczba użytkowników
4
Inkluzywność
Tak

Długość
0,93 m
Szerokość
1,48 m
Wysokość
1,35 m
Obszar strefy bezpieczeństwa
14,4 m2
Wysokość upadku
0,50 m
Wymiar strefy
3,91 x 4,48 m m

Masz pytania?

Napisz do nas