Ptero

Urządzenie w formie pterozaura z rur okrągłych i belek z giętego drewna klejonego składającego się z nieregularnie wygiętej siatki linowej i dwóch ślizgów z giętych rur.

Kod produktu
0280065
Grupa wiekowa
3-12 lata
Liczba użytkowników
12
Inkluzywność
Nie

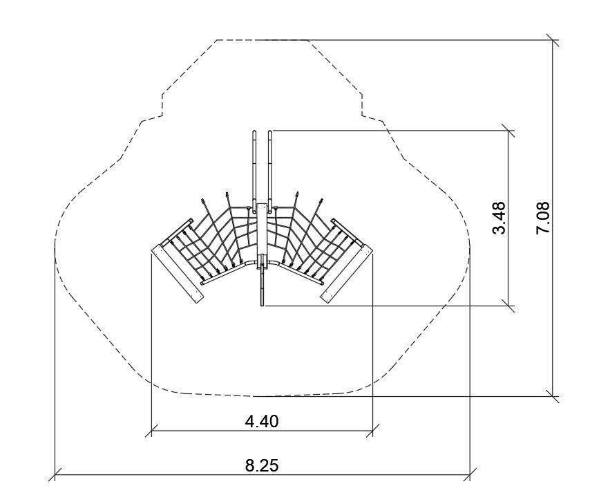
Długość
3,48 m
Szerokość
4,40 m
Wysokość
2,61 m
Obszar strefy bezpieczeństwa
41,4 m2
Wysokość upadku
1,90 m
Wymiar strefy
7,08 x 8,25 m m

Masz pytania?

Napisz do nas