Urządzenie do zabawy w błotną kuchnię uzupełniające zestaw
Szczegóły
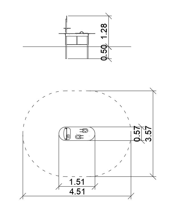
Wymiary urządzenia
Do pobrania
Pobierz Kartę Techniczną produktuWyświetl plik DWGZobacz rzut 2D
Dziękujemy za wypełnienie formularza. Twoja aplikacja została pomyślnie przesłana. Wkrótce skontaktujemy się z Tobą przy użyciu preferowanej metody kontaktu.