Powóz książęcy

Kod produktu
0280055
Grupa wiekowa
3-12 lata
Liczba użytkowników
6
Inkluzywność
Tak

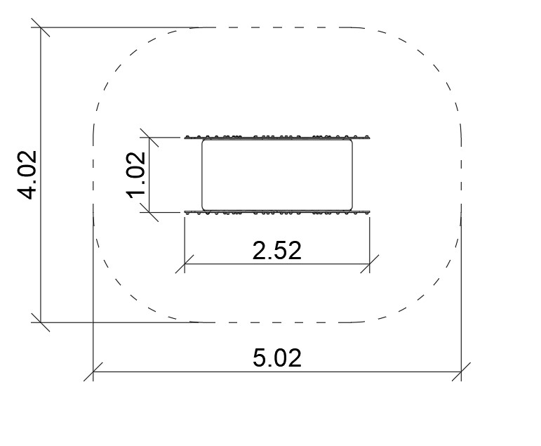
Długość
2,52 m
Szerokość
1,02 m
Wysokość
2,11 m
Obszar strefy bezpieczeństwa
18,2 m2
Wysokość upadku
0,2 m
Wymiar strefy
5,02 x 4,02 m m

Masz pytania?

Napisz do nas